పారిశ్రామిక క్యాబినెట్ డోర్ లాక్డిస్ట్రిబ్యూషన్ క్యాబినెట్, కమ్యూనికేషన్ క్యాబినెట్, కంట్రోల్ బాక్స్ మరియు ఇతర పరికరాల యొక్క కీలక రక్షిత భాగం, ఇది అంతర్గత విద్యుత్ భాగాల భద్రత మరియు సిస్టమ్ యొక్క స్థిరమైన ఆపరేషన్కు నేరుగా సంబంధించినది.
వివిధ ప్రాజెక్ట్ల కోసం డెలివరీ సమయం మరియు స్పెసిఫికేషన్ల యొక్క విభిన్న అవసరాలను తీర్చడానికి, మా కంపెనీ ఎల్లప్పుడూ స్టాక్లో సాధారణంగా ఉపయోగించే ఐదు రకాల లాక్లను కలిగి ఉంటుంది --లాంగ్ బార్ లాక్, ప్యానెల్ లాక్, రాడ్ కంట్రోల్ లాక్, హ్యాండిల్ లాక్,రోటరీ టంగ్ లాక్. అదే సమయంలో, మేము డ్రాయింగ్లు లేదా నమూనాల ప్రకారం అనుకూలీకరించిన ఏదైనా ప్రామాణికం కాని లాక్కి మద్దతు ఇస్తాము, ఇది అన్ని రకాల మెటల్ డిస్ట్రిబ్యూషన్ బాక్స్లకు ఖచ్చితంగా సరిపోతుంది.
ప్లేన్ లాక్ అనేది పారిశ్రామిక క్యాబినెట్ డోర్ లాక్ల యొక్క అత్యంత సాధారణ రకాల్లో ఒకటి, అందంగా మరియు సులభంగా నిర్వహించడానికి. మా కంపెనీ AB301, AB302, AB303, AB402, AB403 సిరీస్ ప్లేన్ లాక్ని ప్రారంభించింది, విభిన్న డిజైన్ యొక్క నిర్మాణ బలం, రక్షణ పనితీరు మరియు ఆపరేటింగ్ అనుభూతిలో, పంపిణీ పెట్టె యొక్క విభిన్న స్పెసిఫికేషన్లను, నియంత్రణ క్యాబినెట్ ఇన్స్టాలేషన్ అవసరాలను తీర్చగలదు.
| కొలతలు | ఉత్పత్తి సంఖ్య | |||||||
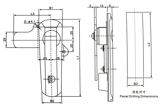
| L1 | L2 | L3 | B1 | B2 | గ్రే క్రోమ్ ప్లేటింగ్ | గ్రే స్ప్రే పెయింట్ | నలుపు పొడి పూత | బరువు(గ్రా) |
| 147 | 117 | 72 | 33 | 26.5 | AB301-1-1.2 | AB301-1-1.8 | AB301 | 370 |
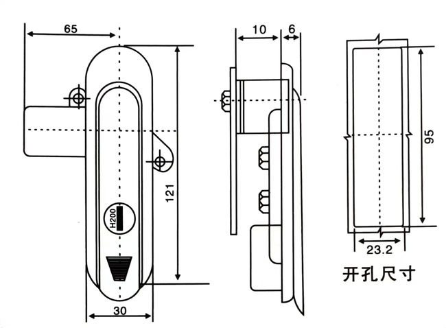
| 120.5 | 95.5 | 65 | 30 | 23.5 | AB301-2-1.2 | AB301-2-1.8 | AB302 | 290 |
| 87.5 | 62.5 | 65 | 28.5 | 23.5 | AB301-3-1.2 | AB301-3-1.8 | AB303 | 215 |
ప్రధాన పదార్థం: జింక్ మిశ్రమం.
ఉపరితల చికిత్స: ప్రకాశవంతమైన క్రోమ్, మాట్టే, నలుపు.
ఫంక్షన్ మరియు ఉపయోగం: సీలింగ్ మరియు వాటర్ప్రూఫ్ ఫంక్షన్తో ఎడమ మరియు కుడి తలుపు తెరవడం, ఉపయోగించడానికి సులభమైనది.
ప్రధాన పదార్థం: జింక్ మిశ్రమం.
ఉపరితల చికిత్స: ప్రకాశవంతమైన క్రోమ్, మాట్టే, నలుపు.
ఫంక్షన్ మరియు ఉపయోగం: సీలింగ్ మరియు వాటర్ప్రూఫ్ ఫంక్షన్తో ఎడమ మరియు కుడి తలుపు తెరవడం, ఉపయోగించడానికి సులభమైనది.
మెటీరియల్: జింక్ అల్లాయ్ లాక్ బాడీ, రొటేటింగ్ షాఫ్ట్, గాల్వనైజ్డ్ స్టీల్ బోల్ట్, ప్రెజర్ ప్లేట్.
ఉపరితల చికిత్స: వెండి బూడిద నానో స్ప్రే.
నిర్మాణ వివరణ: తెరవడానికి లేదా లాక్ చేయడానికి 90 డిగ్రీలు తిప్పండి.
| మోడల్ | L1 | L2 | L3 | B1 | B2 | B3 |
| కొత్త AB402-A | 123 | 95.5 | 65 | 36.5 | 30 | 23.5 |
| కొత్త AB403-A | 91 | 62.5 | 65 | 33 | 28.5 | 23.5 |
| కొత్త AB401-A | 151 | 117 | 72 | 36 | 30 | 26.5 |
